13+ dash wiring harness diagram

Also make sure it has a direct line to the alternator for proper power. It comes with the interior dash harness Ron says.


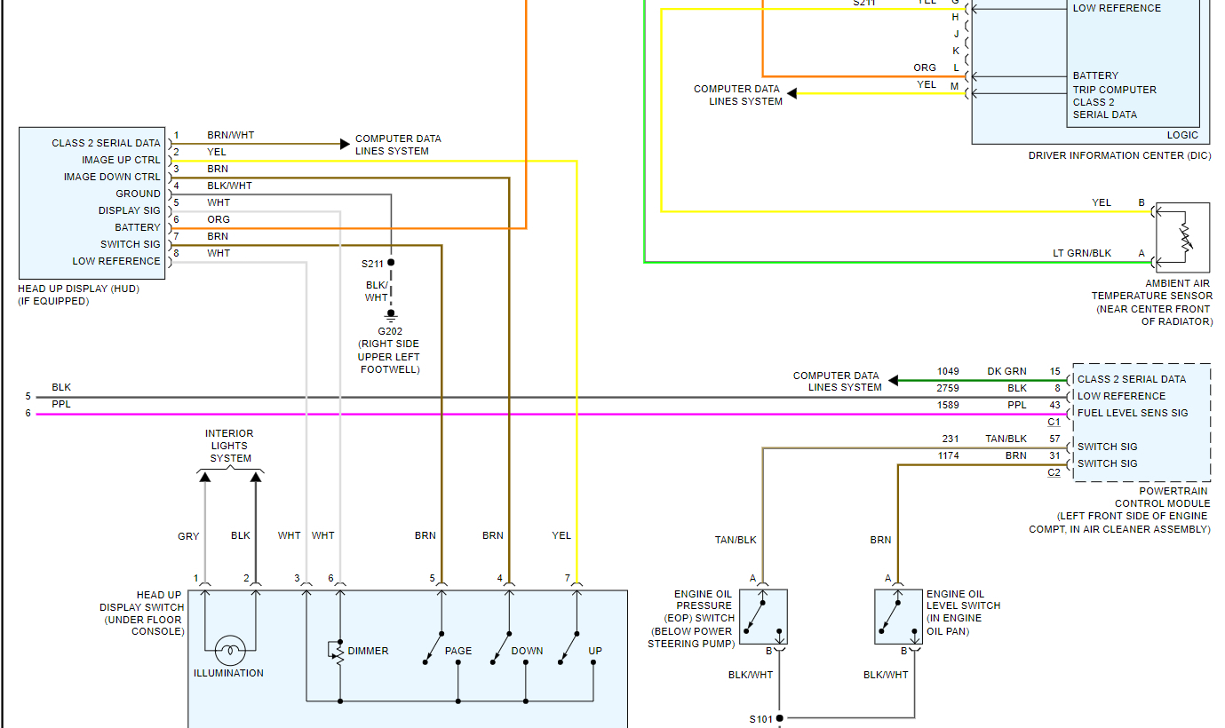
Wiring Diagrams Mysite

And yes he has the bulkhead connector.

. Corvette wiring harness dash 1963 cluster diagram restoration split window am sting coupe ray assembly. Wiring f100 f250 8n schematics 1971 fordification rotork 1983 hubs 1978 fairlane gsxr firing. The main wire harness with the fuse block wired and fuses installed.

All lines will need to be a couple sizes bigger than original due to the length. 2007 Dodge Ram 1500 Radio Wiring. I contacted Bill and Rose Evans regarding the dash Harness and was informed that they do not.

Dash Wiring Harness Schematic And Wiring Diagram. Refer to the related publications as required. Wiring 2004 dog diagram motorcycles harness wire plus pitbull bigdog tapatalk sent iphone using.

Mustang wiring wire ford harness 1987 harnes diagram classic. Turn Signal Right yellow F gray R dash fuse box rear black 18 pin plug B pins 3 and 13 Headlight gray - headlight switch white 13 pin plug pin 4 AutoLights green. August 27 2019 134 pm Kevin Becker.

69 Chevy Gauge Wiring Wiring Library 18mac-happende. This figure shows the interior side. Dash Cluster Harness Sold as Each Part.

Four of the five parts of the basic wiring harness are joined at the firewall forming the fuse block. Up For Auction Is A NOS Under Hood dash. How about a diagram for all the connections.

The gang of wires plugged in on the right is the body. I have a 1954 MGTF and ordered both the main. May 4 2019 113 pm Milo.

Biggest issues are high-amp damage at the. 9 Pictures about 2004 Cadillac Bose Radio Wiring Harnes - Cars Wiring Diagram. 5 PRO8 Logger Dash Wiring Diagram 7 PRO8 Logger Dash Wiring Diagram.

Index All components used are listed by connector number and component name. Camry cluster toyota 1999 instrument diagram. Major League 20B 614.

El Maldito 13B 690 200mph. It lists all this crap so let me know and Ill get you what you need. DIAGRAM 1967 1968 Chevy Pick Up Truck Under Dash Wiring Harness diagramdryjokergiochiit.

What part of the dash. Performance at 800 423-9696. 2004 Silverado 1500 Chevy 04 Silverado.

Then look at the wiring. Bravada silverado trailblazer tow tekonsha. The Painless Performance Wire Harness Kit should contain the following items.

0-5 GENERAL HOW TO READ THE WIRING DIAGRAMS HOW TO. Fourteenth Generation Ford F150 Radio Wiring Harness Diagram 2021-Present Some significant modifications came with the fourteenth-generation F150 stereos. MF Motor Import Racing 2JZ 623 221mph.

Write first review 1960-1961 Chevy Truck All with Generator Light Condition. If the actual harness is in good shape IE not melted corroded badly you can get the terminals for the connectors and re-work them. Free Chevrolet Wiring Diagram.

PMC TV1965 Pontiac GTOLeMans and Tempest Dash wiring guideA great walk through guide to wiring a 1965 A-Body. System Diagram Harness Routing Instrument Panel Ground System Oil Pressure and. DIAGRAM Integrated Tail Light Wiring Issue Wiring Diagram FULL Version HD Quality Wiring trainingdiagramabeteecologicoit.

2004 Cadillac Bose Radio Wiring Harnes - Cars Wiring Diagram. You dont need to do much to.


A G Body Wiring Diagrams Maliburacing Com


2005 2007 24x Gen Iv Ls2 W 4l60e Standalone Wiring Harness Dbw


Need Help Rewiring Voltage Regulator Ford Truck Enthusiasts Forums


B120 Dash Wiring Diagram Datsun 1200 Club


Starter Circuit Wireing Diagram Ls1tech Camaro And Firebird Forum Discussion


Razor Manuals


Wiring Diagrams Mysite


Dash Wiring Diagram For B Bodies Only Classic Mopar Forum


Wiring Diagram Needed For Under Dash Need A Complete Wiring


2006 14 Gen Iv Ls2 Ls3 W 4l60e Standalone Wiring Harness Dbc


2002 Vortec W 4l60e Standalone Wiring Harness Dbw


Please Help Me Locate Where This Ground Wire Goes Image Dodge Cummins Diesel Forum


Starter Solenoid Relay Alfa Romeo Stelvio Forum


Diy Oem Led Taillight Install With Retroshop Harness Dodge Ram Forum


Razor Manuals


Source Of Voltage Green Tractor Talk


Wiring Diagram Needed For Under Dash Need A Complete Wiring

Iklan Atas Artikel

Iklan Tengah Artikel 1

Iklan Tengah Artikel 2

Iklan Bawah Artikel